商品信息
基本参数
- 产地上海
- 品牌
- 产品型号
- 产品操作
- 产品应用范围
- 产品材料等级
- 产品表面处理
产品简介:
产品详情:产品描述:
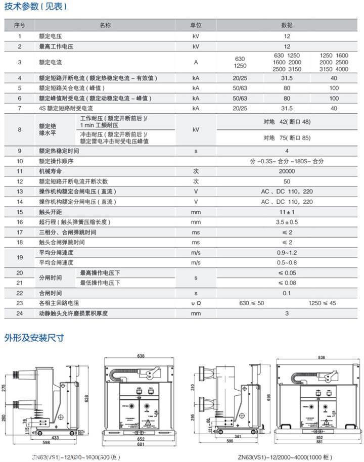
ZN63(VS1)-12系列室内固定式高压真空断路器是三相交流50hz,12kv室内开关装置,可用以支配和维护工矿企业,发电站,变电站和电力设备适用于频繁操作的场地。


基本参数
产品简介:
产品详情:产品描述:
ZN63(VS1)-12系列室内固定式高压真空断路器是三相交流50hz,12kv室内开关装置,可用以支配和维护工矿企业,发电站,变电站和电力设备适用于频繁操作的场地。

