商品信息
基本参数
- 产地上海
- 品牌
- 产品型号
- 产品操作
- 产品应用范围
- 产品材料等级
- 产品表面处理
产品简介:
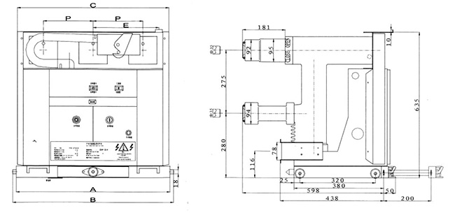
产品详情:产品称谓:VZF(r)-12在套装中固体密封真空负荷开关-保险丝组合电器
产品品牌:祝捷电气
产品概述:VZF(r)-12型系列中置固体密封真空负荷开关保险丝组合电器(以下简称真空开关),是根据与众不同的设计理念开发并与市场结合的需要*下一代真空开关装置,普遍用以室内铠装空气绝缘开关装置中。
VZF(r)-12@真空负荷开关¥VF(r)-12真空负荷开关,组合电器。
全国销 售热行:







